【 微信扫码咨询 】

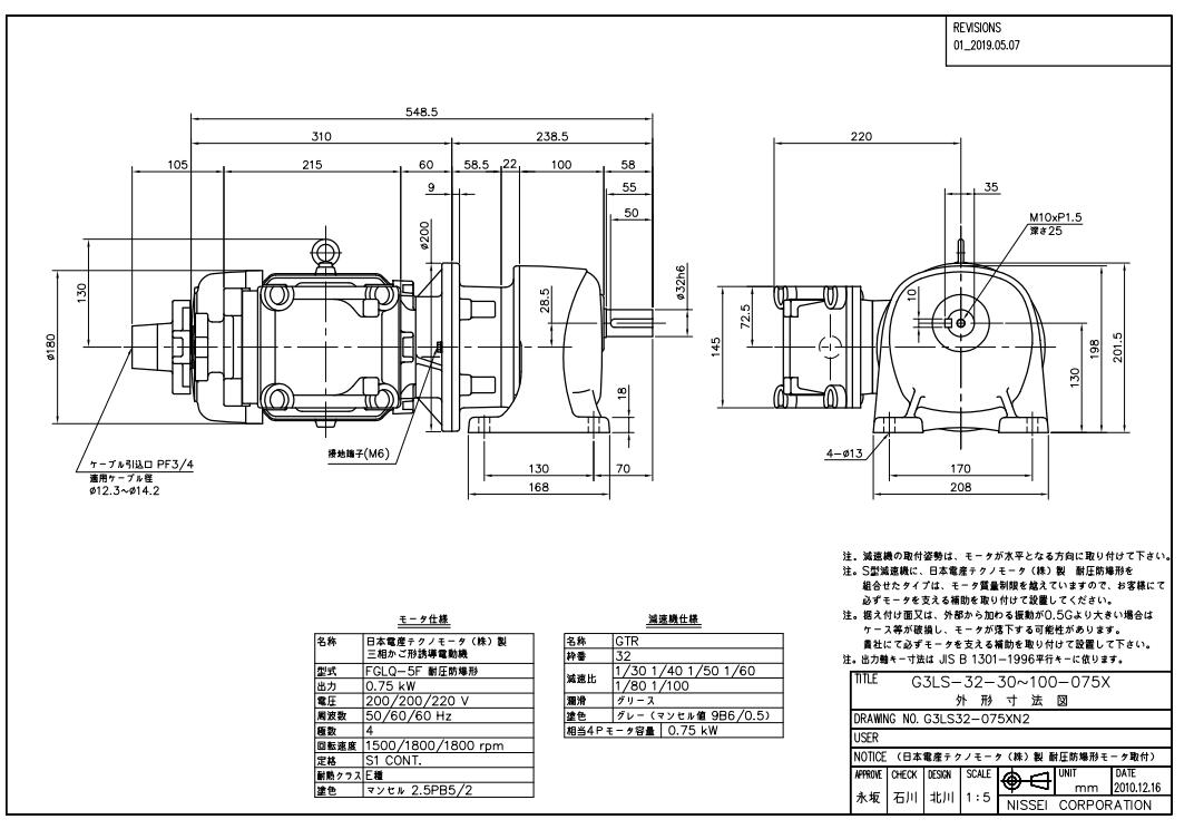
日本三菱防爆电机型号XE-NEF-0.75KW-200V-50HZ-4P搭配日本日精减速头型号G3LS-32-50-075
苏州上野公司主营日本机械,联 系人-张-涛- 手- 机1-8-8-9698-4864。
苏州上野公司张涛批发销售日本三菱防爆电机型号XE-NEF-0.75KW-200V-50HZ-4P搭配日本日精减速头型号G3LS-32-50-075。三菱电机已经通过中国CCC认证和GB3认证,三菱电机以其非凡的性能表现,即高效又节能,对保护地球环境贡献非凡,三菱出品的全系列SUPER LINE电机都采用钢架结构,有节能,结构紧凑,体积小,效率高,使用寿命长及低噪音等优良品质。 三菱电机有标准的三相电机SF-JR系列;特殊环境的电机SF-JRO/SF-JRP/SF-J系列;高性能的SF-PR/SF-HR系列;变频驱动电机 SF-HRCA系列;刹车电机SF-JRB系列; 安全型防爆电机AF-SHR及耐压型防爆电机XE-NE/XF-NE系列等。
苏州上野机电设备有限公司是一家日本进口机械供应商。主要经营日本三菱防爆电机等,我们还与其他厂商建立了良好的代理协作关系,为顾客提供种类繁多价格可靠的众多产品。我司以正品有保证让大家买的放心,服务有专业水平让大家买的省心,态度有亲切感让大家买的开心。
苏州上野公司张涛批发销售的型号:
XF-NEF (400V-2P-5.5kW) XF-NEF (400V-2P-7.5kW) XF-EF (400V-2P-11kW) XF-EF (400V-2P-15kW) XF-EF (400V-2P-18.5kW) XF-EF (400V-2P-22kW) XF-EF (400V-2P-30kW) XF-EF (400V-2P-37kW) XF-EF (400V-2P-45kW) XE-NEF (400V-2P-0.2kW) XE-NEF (400V-2P-0.4kW) XF-NEF (400V-2P-0.75kW) XF-NEF (400V-2P-1.5kW) XF-NEF (400V-2P-2.2kW) XF-NEF (400V-2P-3.7kW) XF-NEF (400V-2P-5.5kW) XF-NEF (400V-2P-7.5kW) XF-EF (400V-2P-11kW) XF-EF (400V-2P-15kW) XF-EF (400V-2P-18.5kW) XF-EF (400V-2P-22kW) XF-EF (400V-2P-30kW) XF-EF (400V-2P-37kW) XF-EF (400V-2P-45kW) XF-NEF (400V-2P-0.75kW) XF-NEF (400V-2P-1.5kW) XF-NEF (400V-2P-3.7kW) XF-NEF (400V-2P-5.5kW) XF-NEF (400V-2P-7.5kW) XF-EF (400V-2P-11kW) XF-EF (400V-2P-22kW)
苏州上野公司张涛批发销售的型号:
日本三菱防爆电机型号XE-NEF-0.4KW-200V-50HZ-4P搭配日本日精减速头型号G3FS-28-30-040
日本三菱防爆电机型号XE-NEF-0.75KW-200V-50HZ-4P搭配日本日精减速头型号G3LS-32-50-075
日本三菱防爆电机型号XE-NEV-0.4KW-200V-50HZ-4P搭配日本日精减速头型号G3LS-28-30-040
苏州上野公司张涛批发销售的型号:
日本三菱防爆电机型号:XF-NEF-0.75KW-200V/50HZ-4P
日本三菱防爆电机型号:XE-NEF-0.40KW-200V/50HZ-4P
日本三菱防爆电机型号:XF-EV-11KW-4P-200V/50HZ-户外型-160M
日本三菱防爆电机型号:XE-NEF-0.40KW-4P-200V/50HZ
日本三菱防爆电机型号:XF-NEF-0.75KW-4P-200V/50HZ
日本三菱防爆电机型号:XE-NEF-0.2KW-4P-200V/50HZ
日本三菱防爆电机型号:SF-HRVCA 0.4KW 440V.60HZ 4P
日本三菱防爆电机型号:XF-NE 0.75KW 4P 440V 60HZ
日本三菱防爆电机型号:XF-NEVCA-2 1.5KW 4P 440V 60HZ
日本三菱防爆电机型号:XF-NEVCA-2 0.75KW 4P 440V 60HZ
苏州上野公司张涛批发销售的型号:
三菱防爆电机产品系列有:XE-NE,XE-NEV,XE-NEF,XF-NE,XF-NEV,XF-NEF,XF-E,XF-EV,XF-EF,XE-NECA-2,XE-NECA-1,XE-NECAO-2,XE-NECAO-1,XE-NEVCAO-2,XE-NEVCAO-1,XE-NEFCAO-2,XE-NEFCAO-1,XF-NECA-2,XF-NECA-1,XF-NECAO-2,XF-NECAO-1,XF-NEVCAO-2,XF-NEVCAO-1,XF-NEFCAO-2,XF-NEFCAO-1,XF-ECA-2,XF-ECA-1,XF-ECAO-2,XF-ECAO-1,XF-EVCAO-2,XF-EVCAO-1,XF-EFCAO-2 ,XF-EFCAO-1
苏州上野公司张涛批发销售的型号:
XF-NEF (200V-4P-0.75kW) XF-NEF (200V-4P-1.5kW) XF-NEF (200V-4P-2.2kW) XF-NEF (200V-4P-3.7kW) XF-NEF (200V-4P-5.5kW) XF-NEF (200V-4P-7.5kW) XF-EF (200V-4P-11kW) XF-EF (200V-4P-15kW) XF-EF (200V-4P-18.5kW) XF-EF (200V-4P-22kW) XF-EF (200V-4P-30kW) XF-EF (200V-4P-37kW) XF-EF (200V-4P-45kW) XE-NEF (200V-4P-0.2kW) XE-NEF (200V-4P-0.4kW)
苏州上野公司张涛批发销售的型号:
XF-NEF (200V-4P-0.75kW) XF-NEF (200V-4P-1.5kW) XF-NEF (200V-4P-2.2kW) XF-NEF (200V-4P-3.7kW) XF-NEF (200V-4P-5.5kW) XF-NEF (200V-4P-7.5kW) XF-EF (200V-4P-11kW) XF-EF (200V-4P-15kW) XF-EF (200V-4P-22kW) XF-EF (200V-4P-30kW) XF-EF (200V-4P-37kW) XF-EF (200V-4P-45kW) XE-NEF (200V-4P-0.2kW) XE-NEF (200V-4P-0.4kW) XF-NEF (200V-4P-0.75kW) XF-NEF (200V-4P-1.5kW) XF-NEF (200V-4P-2.2kW) XF-NEF (200V-4P-3.7kW) XF-NEF (200V-4P-5.5kW) XF-NEF (200V-4P-7.5kW) XF-EF (200V-4P-11kW) XF-EF (200V-4P-15kW) XF-EF (200V-4P-22kW) XF-EF (200V-4P-30kW) XF-EF (200V-4P-37kW) XF-EF (200V-4P-45kW) XE-NEF (200V-6P-0.2kW) XF-NEF (200V-6P-0.4kW) XF-NEF (200V-6P-0.75kW) XF-NEF (200V-6P-1.5kW) XF-NEF (200V-6P-2.2kW)
苏州上野公司张涛批发销售的型号:
XF-NEF (200V-6P-3.7kW) XF-NEF (200V-6P-5.5kW) XF-EF (200V-6P-7.5kW) XF-EF (200V-6P-11kW) XF-EF (200V-6P-15kW) XF-EF (200V-6P-18.5kW) XF-EF (200V-6P-22kW) XF-EF (200V-6P-30kW) XE-NEF (200V-6P-0.2kW) XF-NEF (200V-6P-0.4kW) XF-NEF (200V-6P-0.75kW) XF-NEF (200V-6P-1.5kW) XF-NEF (200V-6P-2.2kW) XF-NEF (200V-6P-3.7kW) XF-NEF (200V-6P-5.5kW) XF-EF (200V-6P-7.5kW) XF-EF (200V-6P-11kW) XF-EF (200V-6P-15kW) XF-EF (200V-6P-18.5kW) XF-EF (200V-6P-22kW) XF-EF (200V-6P-30kW) XE-NEF (400V-2P-0.2kW) XE-NEF (400V-2P-0.4kW) XF-NEF (400V-2P-0.75kW) XF-NEF (400V-2P-1.5kW) XF-NEF (400V-2P-2.2kW) XF-NEF (400V-2P-3.7kW)
苏州上野公司张涛批发销售的型号:
XF-EF (400V-2P-37kW) XF-NEF (400V-2P-0.75kW) XF-NEF (400V-2P-1.5kW) XF-NEF (400V-2P-3.7kW) XF-NEF (400V-2P-5.5kW) XF-NEF (400V-2P-7.5kW) XF-EF (400V-2P-11kW) XF-EF (400V-2P-22kW) XF-EF (400V-2P-37kW) XE-NEF (400V-4P-0.2kW) XE-NEF (400V-4P-0.4kW) XF-NEF (400V-4P-0.75kW) XF-NEF (400V-4P-1.5kW) XF-NEF (400V-4P-2.2kW) XF-NEF (400V-4P-3.7kW) XF-NEF (400V-4P-5.5kW) XF-NEF (400V-4P-7.5kW) XF-EF (400V-4P-11kW) XF-EF (400V-4P-15kW) XF-EF (400V-4P-18.5kW) XF-EF (400V-4P-22kW) XF-EF (400V-4P-30kW) XF-EF (400V-4P-37kW) XF-EF (400V-4P-45kW) XE-NEF (400V-4P-0.2kW) XE-NEF (400V-4P-0.4kW) XF-NEF (400V-4P-0.75kW) XF-NEF (400V-4P-1.5kW) XF-NEF (400V-4P-2.2kW) XF-NEF (400V-4P-3.7kW) XF-NEF (400V-4P-5.5kW) XF-NEF (400V-4P-7.5kW) XF-EF (400V-4P-11kW) XF-EF (400V-4P-15kW) XF-EF (400V-4P-18.5kW) XF-EF (400V-4P-22kW) XF-EF (400V-4P-30kW) XF-EF (400V-4P-37kW) XF-EF
来源:苏州上野公司张涛 版权受法律保护,严禁抄袭复制!