【 微信扫码咨询 】
特長
優れたインバータ駆動特性
●三菱インバータとの組合せにより標準品で広いトルク範囲を実現しました。
●インバータ駆動V/F定トルクモータ仕様も準備しました。
小形・軽量化
●アルミフレームモータの採用、及び構造解析により小形・軽量化を実現しました。
低騒音、低振動
●第1歯車の特殊精密加工またはRGC加工ならびに第2歯車の研磨仕上の採用により低騒音化を実現しました。
●ブレーキカバーの採用、ブレーキギャップの最適化によりブレーキ動作時の衝撃音を低減しました。
●モータにはダイナミックバランス加工を施し、低振動を実現しました。
实物图片
苏州上野机电设备有限公司销售电话:17895046997 刘经理 QQ :2461896109
| 用途 | |
| シリーズ名 | |
| 出力別 | |
| 形名 | |
| 補足 | |
| ご発注コード | |
| ジャストデリバリー | 対応 |
| 納期 | |
| 電源 | |
| モータ | 電圧 |
| 周波数 | |
| 出力 | |
| 極数 | |
| 定格電流(A) | |
| 定格回転速度(r/min) | |
| 外被構造 | |
| 保護構造 | |
| 耐熱クラス | |
| 定格 | |
| 始動方法 | |
| 減速機 | 取付方式 |
| 公称減速比 | |
| 実減速比 | |
| 出力軸定格回転速度 50Hz(r/min) | |
| 出力軸定格回転速度 60Hz(r/min) | |
| 出力軸許容トルク 50Hz(Nm) | |
| 出力軸許容トルク 60Hz(Nm) | |
| 出力軸許容ラジアル荷重(N) | |
| 出力軸許容スラスト荷重(N) | |
| 潤滑方式 | |
| ブレーキ | ブレーキ方式 |
| ブレーキトルク(Nm) | |
| 慣性モーメント(モータ軸換算)(kg・m2) | |
| 許容C×Z値 | |
| 取付方向 | |
| 設置場所 | |
| 塗装色 | |
| 周囲温度 | |
| 周囲湿度 | |
| 標高 | |
| 振動 | |
| 適用規格 | |
| 付属品 | |
| 標準価格 | |
| 平行軸 | |
ギヤードモータ 平行軸 |
GM-Dシリーズ |
GM-DB 0.4kW 4P 1/40 200/200/220V (50/60/60Hz) |
対応 |
在庫欠品時、3日以内出荷(9台以下) |
三相 |
200/200/220V |
50/60/60Hz |
0.4kW |
4P |
2.2/2.0/2.0 |
1415/1693/1716 |
全閉外扇形 |
屋内形(IP44相当) |
120(E) |
連続 |
直入れ |
脚取付形 |
1/40 |
1/40.20 |
37.5 |
45 |
97 |
81 |
1960 |
500 |
グリース潤滑 |
直流スプリング制動 |
3.82 |
0.00119 |
360 |
取付自在 |
屋内(腐食性ガス、オイルミスト、引火性ガス、塵埃などないこと) |
メタリックグレー(マンセルN4.5相当) |
-15~+40℃(凍結なきこと) |
90%RH以下 |
海抜1000m以下 |
常時4.9m/s2、瞬時9.8m/s2以下 |
JEC、JEM |
軸端キー |
- |
中荷重用 |
| 電圧 |
| 保護構造 |
| その他 |
400/400/440V 50/60/60Hz、380V 50Hz、415V 50Hz、460V 60Hz(三相、三相ブレーキ付) |
屋外形(三相、三相ブレーキ付) ワンタッチ手動解放ブレーキ付は屋内仕様のみ(0.4~2.2kW) |
● 端子箱B組立、C組立、D組立 ● ワンタッチ手動解放ブレーキ付(0.4~2.2kW 屋内) ● インバータ駆動定トルク(V/F制御)シリーズ(0.4~7.5kW) |
| 海外規格 |
| 保護構造 |
| その他 |
cUL規格(0.4~2.2kW)、CCC規格(0.4, 0.75kW)、EN規格準拠 |
● 防塵形(IP54相当) ● 防水形(IP45相当) ● 防食形 ● 防塵・防水形(IP65相当 0.4~2.2kW) |
● インバータ駆動PLGフィードバック制御ギヤードモータ ● GM-DDシリーズ(高頻度重負荷用 SF 2.0) ● 耐圧防爆形 |
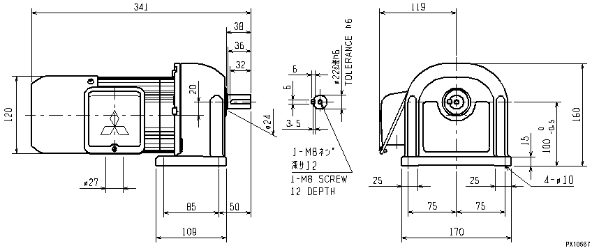
外形寸法図(GM-DB 0.4kW 1/3~1/50)
※ 外形寸法図面が必要な場合はPDFファイルをダウンロードください。
苏州上野机电设备有限公司销售型号如下:
| GM-DB 0.4kW 1/3 | GM-DB 0.4kW 1/3 | GM-DB 0.4kW 1/3 | |
| UENO | |||
| GM-DB 0.4kW 1/5 | GM-DB 0.4kW 1/5 | GM-DB 0.4kW 1/5 | |
| UENO | |||
| GM-DB 0.4kW 1/10 | GM-DB 0.4kW 1/10 | GM-DB 0.4kW 1/10 | |
| UENO | |||
| GM-DB 0.4kW 1/15 | GM-DB 0.4kW 1/15 | GM-DB 0.4kW 1/15 | |
| UENO | |||
| GM-DB 0.4kW 1/20 | GM-DB 0.4kW 1/20 | GM-DB 0.4kW 1/20 | |
| UENO | |||
| GM-DB 0.4kW 1/25 | GM-DB 0.4kW 1/25 | GM-DB 0.4kW 1/25 | |
| UENO | |||
| GM-DB 0.4kW 1/30 | GM-DB 0.4kW 1/30 | GM-DB 0.4kW 1/30 | |
| UENO | |||
| GM-DB 0.4kW 1/40 | GM-DB 0.4kW 1/40 | GM-DB 0.4kW 1/40 | |
| UENO | |||
| GM-DB 0.4kW 1/50 | GM-DB 0.4kW 1/50 | GM-DB 0.4kW 1/50 | |
| UENO | |||
| GM-DB 0.4kW 1/60 | GM-DB 0.4kW 1/60 | GM-DB 0.4kW 1/60 | |
| UENO | |||
| GM-DB 0.4kW 1/80 | GM-DB 0.4kW 1/80 | GM-DB 0.4kW 1/80 | |
| UENO | |||
| GM-DB 0.4kW 1/100 | GM-DB 0.4kW 1/100 | GM-DB 0.4kW 1/100 | |
| UENO | |||
| GM-DB 0.4kW 1/120 | GM-DB 0.4kW 1/120 | GM-DB 0.4kW 1/120 | |
| UENO | |||
| GM-DB 0.4kW 1/160 | GM-DB 0.4kW 1/160 | GM-DB 0.4kW 1/160 | |
| UENO | |||
| GM-DB 0.4kW 1/200 | GM-DB 0.4kW 1/200 | GM-DB 0.4kW 1/200 | |
| UENO | |||
| GM-DB 0.4kW 1/270 | GM-DB 0.4kW 1/270 | GM-DB 0.4kW 1/270 | |
| UENO | |||
| GM-DB 0.4kW 1/360 | GM-DB 0.4kW 1/360 | GM-DB 0.4kW 1/360 | |
| UENO | |||
| GM-DB 0.4kW 1/450 | GM-DB 0.4kW 1/450 | GM-DB 0.4kW 1/450 | |
| UENO | |||
| GM-DB 0.4kW 1/540 | GM-DB 0.4kW 1/540 | GM-DB 0.4kW 1/540 | |
| UENO | |||
| GM-DB 0.4kW 1/720 | GM-DB 0.4kW 1/720 | GM-DB 0.4kW 1/720 | |
| UENO | |||
| GM-DB 0.4kW 1/900 | GM-DB 0.4kW 1/900 | GM-DB 0.4kW 1/900 | |
| UENO | |||
| GM-DB 0.4kW 1/1200 | GM-DB 0.4kW 1/1200 | GM-DB 0.4kW 1/1200 | |
| UENO | |||
| GM-DF 0.4kW 1/3 | GM-DF 0.4kW 1/3 | GM-DF 0.4kW 1/3 | |
| UENO | |||
| GM-DF 0.4kW 1/5 | GM-DF 0.4kW 1/5 | GM-DF 0.4kW 1/5 | |
| UENO | |||
| GM-DF 0.4kW 1/10 | GM-DF 0.4kW 1/10 | GM-DF 0.4kW 1/10 | |
| UENO | |||
| GM-DF 0.4kW 1/15 | GM-DF 0.4kW 1/15 | GM-DF 0.4kW 1/15 | |
| UENO | |||
| GM-DF 0.4kW 1/20 | GM-DF 0.4kW 1/20 | GM-DF 0.4kW 1/20 | |
| UENO | |||
| GM-DF 0.4kW 1/25 | GM-DF 0.4kW 1/25 | GM-DF 0.4kW 1/25 | |
| UENO | |||
| GM-DF 0.4kW 1/30 | GM-DF 0.4kW 1/30 | GM-DF 0.4kW 1/30 | |
| UENO | |||
| GM-DF 0.4kW 1/40 | GM-DF 0.4kW 1/40 | GM-DF 0.4kW 1/40 | |
| UENO | |||
| GM-DF 0.4kW 1/50 | GM-DF 0.4kW 1/50 | GM-DF 0.4kW 1/50 | |
| UENO | |||
| GM-DF 0.4kW 1/60 | GM-DF 0.4kW 1/60 | GM-DF 0.4kW 1/60 | |
| UENO | |||
| GM-DF 0.4kW 1/80 | GM-DF 0.4kW 1/80 | GM-DF 0.4kW 1/80 | |
| UENO | |||
| GM-DF 0.4kW 1/100 | GM-DF 0.4kW 1/100 | GM-DF 0.4kW 1/100 | |
| UENO | |||
| GM-DF 0.4kW 1/120 | GM-DF 0.4kW 1/120 | GM-DF 0.4kW 1/120 | |
| UENO | |||
| GM-DF 0.4kW 1/160 | GM-DF 0.4kW 1/160 | GM-DF 0.4kW 1/160 | |
| UENO | |||
| GM-DF 0.4kW 1/200 | GM-DF 0.4kW 1/200 | GM-DF 0.4kW 1/200 | |
| UENO | |||
| GM-DF 0.4kW 1/270 | GM-DF 0.4kW 1/270 | GM-DF 0.4kW 1/270 | |
| UENO | |||
| GM-DF 0.4kW 1/360 | GM-DF 0.4kW 1/360 | GM-DF 0.4kW 1/360 | |
| UENO | |||
| GM-DF 0.4kW 1/450 | GM-DF 0.4kW 1/450 | GM-DF 0.4kW 1/450 | |
| UENO | |||
| GM-DF 0.4kW 1/540 | GM-DF 0.4kW 1/540 | GM-DF 0.4kW 1/540 | |
| UENO | |||
| GM-DF 0.4kW 1/720 | GM-DF 0.4kW 1/720 | GM-DF 0.4kW 1/720 | |
| UENO | |||
| GM-DF 0.4kW 1/900 | GM-DF 0.4kW 1/900 | GM-DF 0.4kW 1/900 | |
| UENO | |||
| GM-DF 0.4kW 1/1200 | GM-DF 0.4kW 1/1200 | GM-DF 0.4kW 1/1200 | |
| UENO | |||
| GM-DFB 0.4kW 1/3 | GM-DFB 0.4kW 1/3 | GM-DFB 0.4kW 1/3 | |
| UENO | |||
| GM-DFB 0.4kW 1/5 | GM-DFB 0.4kW 1/5 | GM-DFB 0.4kW 1/5 | |
| UENO | |||
| GM-DFB 0.4kW 1/10 | GM-DFB 0.4kW 1/10 | GM-DFB 0.4kW 1/10 | |
| UENO | |||
| GM-DFB 0.4kW 1/15 | GM-DFB 0.4kW 1/15 | GM-DFB 0.4kW 1/15 | |
| UENO | |||
| GM-DFB 0.4kW 1/20 | GM-DFB 0.4kW 1/20 | GM-DFB 0.4kW 1/20 | |
| UENO | |||
| GM-DFB 0.4kW 1/25 | GM-DFB 0.4kW 1/25 | GM-DFB 0.4kW 1/25 | |
| UENO | |||
| GM-DFB 0.4kW 1/30 | GM-DFB 0.4kW 1/30 | GM-DFB 0.4kW 1/30 | |
| UENO | |||
| GM-DFB 0.4kW 1/40 | GM-DFB 0.4kW 1/40 | GM-DFB 0.4kW 1/40 | |
| UENO | |||
| GM-DFB 0.4kW 1/50 | GM-DFB 0.4kW 1/50 | GM-DFB 0.4kW 1/50 | |
| UENO | |||
| GM-DFB 0.4kW 1/60 | GM-DFB 0.4kW 1/60 | GM-DFB 0.4kW 1/60 | |
| UENO | |||
| GM-DFB 0.4kW 1/80 | GM-DFB 0.4kW 1/80 | GM-DFB 0.4kW 1/80 | |
| UENO | |||
| GM-DFB 0.4kW 1/100 | GM-DFB 0.4kW 1/100 | GM-DFB 0.4kW 1/100 | |
| UENO | |||
| GM-DFB 0.4kW 1/120 | GM-DFB 0.4kW 1/120 | GM-DFB 0.4kW 1/120 | |
| UENO | |||
| GM-DFB 0.4kW 1/160 | GM-DFB 0.4kW 1/160 | GM-DFB 0.4kW 1/160 | |
| UENO | |||
| GM-DFB 0.4kW 1/200 | GM-DFB 0.4kW 1/200 | GM-DFB 0.4kW 1/200 | |
| UENO | |||
| GM-DFB 0.4kW 1/270 | GM-DFB 0.4kW 1/270 | GM-DFB 0.4kW 1/270 | |
| UENO | |||
| GM-DFB 0.4kW 1/360 | GM-DFB 0.4kW 1/360 | GM-DFB 0.4kW 1/360 | |
| UENO | |||
| GM-DFB 0.4kW 1/450 | GM-DFB 0.4kW 1/450 | GM-DFB 0.4kW 1/450 | |
| UENO | |||
| GM-DFB 0.4kW 1/540 | GM-DFB 0.4kW 1/540 | GM-DFB 0.4kW 1/540 | |
| UENO | |||
| GM-DFB 0.4kW 1/720 | GM-DFB 0.4kW 1/720 | GM-DFB 0.4kW 1/720 | |
| UENO | |||
| GM-DFB 0.4kW 1/900 | GM-DFB 0.4kW 1/900 | GM-DFB 0.4kW 1/900 | |
| UENO | |||
| GM-DFB 0.4kW 1/1200 | GM-DFB 0.4kW 1/1200 | GM-DFB 0.4kW 1/1200 |