【 微信扫码咨询 】
特点:
出色的逆变器驱动特性。
通过与三菱逆变器的组合,在标准产品中实现较宽的扭矩范围。
磁通矢量控制时确保3~60 Hz(0.1~0.75kW)、6~60 Hz(1.5、2.2kW)的恒定转矩。
通过V/F控制增强具有恒定转矩特性的电机(GM-SZ系列)
实物图片
苏州上野机电设备有限公司销售电话:17895046997 刘经理
| 用途 | |
| シリーズ名 | |
| 出力別 | |
| 形名 | |
| 補足 | |
| ご発注コード | |
| ジャストデリバリー | 対応 |
| 納期 | |
| 電源 | |
| モータ | 電圧 |
| 周波数 | |
| 出力 | |
| 極数 | |
| 定格電流(A) | |
| 定格回転速度(r/min) | |
| 外被構造 | |
| 保護構造 | |
| 耐熱クラス | |
| 定格 | |
| 始動方法 | |
| 減速機 | 取付方式 |
| 公称減速比 | |
| 実減速比 | |
| 出力軸定格回転速度 50Hz(r/min) | |
| 出力軸定格回転速度 60Hz(r/min) | |
| 出力軸許容トルク 50Hz(Nm) | |
| 出力軸許容トルク 60Hz(Nm) | |
| 出力軸許容ラジアル荷重(N) | |
| 出力軸許容スラスト荷重(N) | |
| 潤滑方式 | |
| ブレーキ | ブレーキ方式 |
| 慣性モーメント(モータ軸換算)(kg・m2) | |
| 許容C×Z値 | |
| 取付方向 | |
| 設置場所 | |
| 塗装色 | |
| 周囲温度 | |
| 周囲湿度 | |
| 標高 | |
| 振動 | |
| 適用規格 | |
| 付属品 | |
| 標準価格 | |
| 平行軸 | |
ギヤードモータ 平行軸 |
GM-Sシリーズ |
GM-S 0.2kW 4P 1/40 200/200/220V (50/60/60Hz) |
対応 |
在庫欠品時、3日以内出荷(9台以下) |
三相 |
200/200/220V |
50/60/60Hz |
0.2kW |
4P |
1.3/1.15/1.15 |
1387/1658/1689 |
全閉外扇形 |
屋内形(IP44相当) |
120(E) |
連続 |
直入れ |
脚取付形 |
1/40 |
1/41.07 |
37.5 |
45 |
47 |
39 |
1570 |
300 |
グリース潤滑 |
ブレーキなし |
4.5E-4 |
360 |
取付自在 |
屋内(腐食性ガス、オイルミスト、引火性ガス、塵埃などないこと) |
シルバー(マンセルN6.0相当) |
-15~+40℃(凍結なきこと) |
90%RH以下 |
海抜1,000m以下 |
常時4.9m/s2、瞬時9.8m/s2以下 |
JEC、JEM |
軸端キー |
- |
均一荷重用 |
| 電圧 |
| 保護構造 |
| その他 |
400/400/440V 50/60/60Hz、380V 50Hz、415V 50Hz、460V 60Hz(三相、三相ブレーキ付) 200/200V 50/60Hz(単相、単相ブレーキ付) |
屋外形 (三相、三相ブレーキ付)尚、単相モータ付及びワンタッチ手動解放ブレーキ付は屋内仕様のみ |
● 端子箱B組立、C組立、D組立 ● ワンタッチ手動解放ブレーキ付 ● インバータ駆動定トルク(V/F制御)シリーズ(0.1~2.2kW) |
| 海外規格 |
| 保護構造 |
cUL規格、CCC規格(0.1~0.75kW)、EN規格準拠 |
防塵・防水形 (IP65相当) |
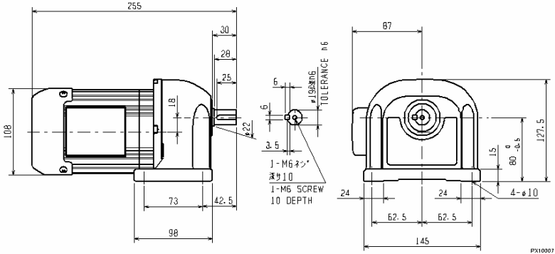
外観図(GM-S 0.2kW 1/40、1/50)
外形寸法図(GM-S 0.2kW 1/40、1/50)
苏州上野机设备有限公司销售型号:
| GM-S 0.1kW 1/3 | GM-S 0.1kW 1/3 | GM-S 0.1kW 1/3 | GM-S 0.1kW 1/3 |
| GM-S 0.1kW 1/5 | GM-S 0.1kW 1/5 | GM-S 0.1kW 1/5 | GM-S 0.1kW 1/5 |
| GM-S 0.1kW 1/10 | GM-S 0.1kW 1/10 | GM-S 0.1kW 1/10 | GM-S 0.1kW 1/10 |
| GM-S 0.1kW 1/15 | GM-S 0.1kW 1/15 | GM-S 0.1kW 1/15 | GM-S 0.1kW 1/15 |
| GM-S 0.1kW 1/20 | GM-S 0.1kW 1/20 | GM-S 0.1kW 1/20 | GM-S 0.1kW 1/20 |
| GM-S 0.1kW 1/25 | GM-S 0.1kW 1/25 | GM-S 0.1kW 1/25 | GM-S 0.1kW 1/25 |
| GM-S 0.1kW 1/30 | GM-S 0.1kW 1/30 | GM-S 0.1kW 1/30 | GM-S 0.1kW 1/30 |
| GM-S 0.1kW 1/40 | GM-S 0.1kW 1/40 | GM-S 0.1kW 1/40 | GM-S 0.1kW 1/40 |
| GM-S 0.1kW 1/50 | GM-S 0.1kW 1/50 | GM-S 0.1kW 1/50 | GM-S 0.1kW 1/50 |
| GM-S 0.1kW 1/60 | GM-S 0.1kW 1/60 | GM-S 0.1kW 1/60 | GM-S 0.1kW 1/60 |
| GM-S 0.1kW 1/80 | GM-S 0.1kW 1/80 | GM-S 0.1kW 1/80 | GM-S 0.1kW 1/80 |
| GM-S 0.1kW 1/100 | GM-S 0.1kW 1/100 | GM-S 0.1kW 1/100 | GM-S 0.1kW 1/100 |
| GM-S 0.1kW 1/120 | GM-S 0.1kW 1/120 | GM-S 0.1kW 1/120 | GM-S 0.1kW 1/120 |
| GM-S 0.1kW 1/160 | GM-S 0.1kW 1/160 | GM-S 0.1kW 1/160 | GM-S 0.1kW 1/160 |
| GM-S 0.1kW 1/200 | GM-S 0.1kW 1/200 | GM-S 0.1kW 1/200 | GM-S 0.1kW 1/200 |
| GM-S 0.1kW 1/270 | GM-S 0.1kW 1/270 | GM-S 0.1kW 1/270 | GM-S 0.1kW 1/270 |
| GM-S 0.1kW 1/360 | GM-S 0.1kW 1/360 | GM-S 0.1kW 1/360 | GM-S 0.1kW 1/360 |
| GM-S 0.1kW 1/450 | GM-S 0.1kW 1/450 | GM-S 0.1kW 1/450 | GM-S 0.1kW 1/450 |
| GM-S 0.1kW 1/540 | GM-S 0.1kW 1/540 | GM-S 0.1kW 1/540 | GM-S 0.1kW 1/540 |
| GM-S 0.1kW 1/720 | GM-S 0.1kW 1/720 | GM-S 0.1kW 1/720 | GM-S 0.1kW 1/720 |
| GM-S 0.1kW 1/900 | GM-S 0.1kW 1/900 | GM-S 0.1kW 1/900 | GM-S 0.1kW 1/900 |
| GM-S 0.1kW 1/1200 | GM-S 0.1kW 1/1200 | GM-S 0.1kW 1/1200 | GM-S 0.1kW 1/1200 |
| GM-S 0.2kW 1/3 | GM-S 0.2kW 1/3 | GM-S 0.2kW 1/3 | GM-S 0.2kW 1/3 |
| GM-S 0.2kW 1/5 | GM-S 0.2kW 1/5 | GM-S 0.2kW 1/5 | GM-S 0.2kW 1/5 |
| GM-S 0.2kW 1/10 | GM-S 0.2kW 1/10 | GM-S 0.2kW 1/10 | GM-S 0.2kW 1/10 |
| GM-S 0.2kW 1/15 | GM-S 0.2kW 1/15 | GM-S 0.2kW 1/15 | GM-S 0.2kW 1/15 |
| GM-S 0.2kW 1/20 | GM-S 0.2kW 1/20 | GM-S 0.2kW 1/20 | GM-S 0.2kW 1/20 |
| GM-S 0.2kW 1/25 | GM-S 0.2kW 1/25 | GM-S 0.2kW 1/25 | GM-S 0.2kW 1/25 |
| GM-S 0.2kW 1/30 | GM-S 0.2kW 1/30 | GM-S 0.2kW 1/30 | GM-S 0.2kW 1/30 |
| GM-S 0.2kW 1/40 | GM-S 0.2kW 1/40 | GM-S 0.2kW 1/40 | GM-S 0.2kW 1/40 |
| GM-S 0.2kW 1/50 | GM-S 0.2kW 1/50 | GM-S 0.2kW 1/50 | GM-S 0.2kW 1/50 |
| GM-S 0.2kW 1/60 | GM-S 0.2kW 1/60 | GM-S 0.2kW 1/60 | GM-S 0.2kW 1/60 |
| GM-S 0.2kW 1/80 | GM-S 0.2kW 1/80 | GM-S 0.2kW 1/80 | GM-S 0.2kW 1/80 |
| GM-S 0.2kW 1/100 | GM-S 0.2kW 1/100 | GM-S 0.2kW 1/100 | GM-S 0.2kW 1/100 |
| GM-S 0.2kW 1/120 | GM-S 0.2kW 1/120 | GM-S 0.2kW 1/120 | GM-S 0.2kW 1/120 |
| GM-S 0.2kW 1/160 | GM-S 0.2kW 1/160 | GM-S 0.2kW 1/160 | GM-S 0.2kW 1/160 |
| GM-S 0.2kW 1/200 | GM-S 0.2kW 1/200 | GM-S 0.2kW 1/200 | GM-S 0.2kW 1/200 |
| GM-S 0.2kW 1/270 | GM-S 0.2kW 1/270 | GM-S 0.2kW 1/270 | GM-S 0.2kW 1/270 |
| GM-S 0.2kW 1/360 | GM-S 0.2kW 1/360 | GM-S 0.2kW 1/360 | GM-S 0.2kW 1/360 |
| GM-S 0.2kW 1/450 | GM-S 0.2kW 1/450 | GM-S 0.2kW 1/450 | GM-S 0.2kW 1/450 |
| GM-S 0.2kW 1/540 | GM-S 0.2kW 1/540 | GM-S 0.2kW 1/540 | GM-S 0.2kW 1/540 |
| GM-S 0.2kW 1/720 | GM-S 0.2kW 1/720 | GM-S 0.2kW 1/720 | GM-S 0.2kW 1/720 |
| GM-S 0.2kW 1/900 | GM-S 0.2kW 1/900 | GM-S 0.2kW 1/900 | GM-S 0.2kW 1/900 |
| GM-S 0.2kW 1/1200 | GM-S 0.2kW 1/1200 | GM-S 0.2kW 1/1200 | GM-S 0.2kW 1/1200 |
| GM-S 0.4kW 1/3 | GM-S 0.4kW 1/3 | GM-S 0.4kW 1/3 | GM-S 0.4kW 1/3 |
| GM-S 0.4kW 1/5 | GM-S 0.4kW 1/5 | GM-S 0.4kW 1/5 | GM-S 0.4kW 1/5 |
| GM-S 0.4kW 1/10 | GM-S 0.4kW 1/10 | GM-S 0.4kW 1/10 | GM-S 0.4kW 1/10 |
| GM-S 0.4kW 1/15 | GM-S 0.4kW 1/15 | GM-S 0.4kW 1/15 | GM-S 0.4kW 1/15 |
| GM-S 0.4kW 1/20 | GM-S 0.4kW 1/20 | GM-S 0.4kW 1/20 | GM-S 0.4kW 1/20 |
| GM-S 0.4kW 1/25 | GM-S 0.4kW 1/25 | GM-S 0.4kW 1/25 | GM-S 0.4kW 1/25 |
| GM-S 0.4kW 1/30 | GM-S 0.4kW 1/30 | GM-S 0.4kW 1/30 | GM-S 0.4kW 1/30 |
| GM-S 0.4kW 1/40 | GM-S 0.4kW 1/40 | GM-S 0.4kW 1/40 | GM-S 0.4kW 1/40 |
| GM-S 0.4kW 1/50 | GM-S 0.4kW 1/50 | GM-S 0.4kW 1/50 | GM-S 0.4kW 1/50 |
| GM-S 0.4kW 1/60 | GM-S 0.4kW 1/60 | GM-S 0.4kW 1/60 | GM-S 0.4kW 1/60 |
| GM-S 0.4kW 1/80 | GM-S 0.4kW 1/80 | GM-S 0.4kW 1/80 | GM-S 0.4kW 1/80 |
| GM-S 0.4kW 1/100 | GM-S 0.4kW 1/100 | GM-S 0.4kW 1/100 | GM-S 0.4kW 1/100 |
| GM-S 0.4kW 1/120 | GM-S 0.4kW 1/120 | GM-S 0.4kW 1/120 | GM-S 0.4kW 1/120 |
| GM-S 0.4kW 1/160 | GM-S 0.4kW 1/160 | GM-S 0.4kW 1/160 | GM-S 0.4kW 1/160 |
| GM-S 0.4kW 1/200 | GM-S 0.4kW 1/200 | GM-S 0.4kW 1/200 | GM-S 0.4kW 1/200 |
| GM-S 0.4kW 1/270 | GM-S 0.4kW 1/270 | GM-S 0.4kW 1/270 | GM-S 0.4kW 1/270 |
| GM-S 0.4kW 1/360 | GM-S 0.4kW 1/360 | GM-S 0.4kW 1/360 | GM-S 0.4kW 1/360 |
| GM-S 0.4kW 1/450 | GM-S 0.4kW 1/450 | GM-S 0.4kW 1/450 | GM-S 0.4kW 1/450 |
| GM-S 0.4kW 1/540 | GM-S 0.4kW 1/540 | GM-S 0.4kW 1/540 | GM-S 0.4kW 1/540 |
| GM-S 0.4kW 1/720 | GM-S 0.4kW 1/720 | GM-S 0.4kW 1/720 | GM-S 0.4kW 1/720 |