【 微信扫码咨询 】
特点和作用:
通过与三菱逆变器的组合,标准产品实现了较宽的扭矩范围。
还准备了逆变器驱动V/F恒定转矩电机规格。
通过采用铝框电机,以及结构分析,实现了小型、轻量化。
通过采用第1齿轮的特殊精密加工或RGC加工以及第2齿轮的研磨精加工,实现了低噪音化。
采用制动盖,优化制动间隙,降低了制动动作时的冲击声。
对电机进行动态平衡加工,实现了低振动。
实物图片
苏州上野机电设备有限公司销售电话:17895046997 刘经理
| 電圧 |
| 保護構造 |
| その他 |
400/400/440V 50/60/60Hz、380V 50Hz、415V 50Hz、460V 60Hz(三相、三相ブレーキ付) |
屋外形(三相、三相ブレーキ付) ワンタッチ手動解放ブレーキ付は屋内仕様のみ(0.4~2.2kW) |
● 端子箱B組立、C組立、D組立 ● ワンタッチ手動解放ブレーキ付(0.4~2.2kW 屋内) ● インバータ駆動定トルク(V/F制御)シリーズ(0.4~7.5kW) |
| 海外規格 |
| 保護構造 |
| その他 |
cUL規格(0.4~2.2kW)、CCC規格(0.4, 0.75kW)、EN規格準拠 |
● 防塵形(IP54相当) ● 防水形(IP45相当) ● 防食形 ● 防塵・防水形(IP65相当 0.4~2.2kW) |
● インバータ駆動PLGフィードバック制御ギヤードモータ ● GM-DDシリーズ(高頻度重負荷用 SF 2.0) ● 耐圧防爆形 |
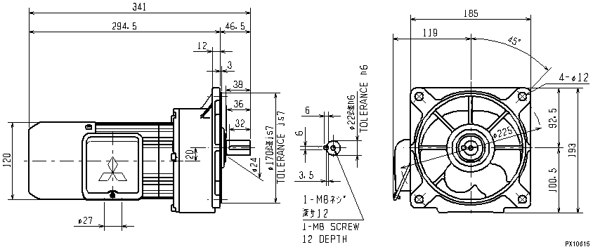
外形寸法図(GM-DFB 0.4kW 1/3~1/50)
苏州上野机电设备有限公司销售型号:
| GM-DFB 0.4kW 1/3 | GM-DFB 0.4kW 1/3 | GM-DFB 0.4kW 1/3 | GM-DFB 0.4kW 1/3 |
| GM-DFB 0.4kW 1/5 | GM-DFB 0.4kW 1/5 | GM-DFB 0.4kW 1/5 | GM-DFB 0.4kW 1/5 |
| GM-DFB 0.4kW 1/10 | GM-DFB 0.4kW 1/10 | GM-DFB 0.4kW 1/10 | GM-DFB 0.4kW 1/10 |
| GM-DFB 0.4kW 1/15 | GM-DFB 0.4kW 1/15 | GM-DFB 0.4kW 1/15 | GM-DFB 0.4kW 1/15 |
| GM-DFB 0.4kW 1/20 | GM-DFB 0.4kW 1/20 | GM-DFB 0.4kW 1/20 | GM-DFB 0.4kW 1/20 |
| GM-DFB 0.4kW 1/25 | GM-DFB 0.4kW 1/25 | GM-DFB 0.4kW 1/25 | GM-DFB 0.4kW 1/25 |
| GM-DFB 0.4kW 1/30 | GM-DFB 0.4kW 1/30 | GM-DFB 0.4kW 1/30 | GM-DFB 0.4kW 1/30 |
| GM-DFB 0.4kW 1/40 | GM-DFB 0.4kW 1/40 | GM-DFB 0.4kW 1/40 | GM-DFB 0.4kW 1/40 |
| GM-DFB 0.4kW 1/50 | GM-DFB 0.4kW 1/50 | GM-DFB 0.4kW 1/50 | GM-DFB 0.4kW 1/50 |
| GM-DFB 0.4kW 1/60 | GM-DFB 0.4kW 1/60 | GM-DFB 0.4kW 1/60 | GM-DFB 0.4kW 1/60 |
| GM-DFB 0.4kW 1/80 | GM-DFB 0.4kW 1/80 | GM-DFB 0.4kW 1/80 | GM-DFB 0.4kW 1/80 |
| GM-DFB 0.4kW 1/100 | GM-DFB 0.4kW 1/100 | GM-DFB 0.4kW 1/100 | GM-DFB 0.4kW 1/100 |
| GM-DFB 0.4kW 1/120 | GM-DFB 0.4kW 1/120 | GM-DFB 0.4kW 1/120 | GM-DFB 0.4kW 1/120 |
| GM-DFB 0.4kW 1/160 | GM-DFB 0.4kW 1/160 | GM-DFB 0.4kW 1/160 | GM-DFB 0.4kW 1/160 |
| GM-DFB 0.4kW 1/200 | GM-DFB 0.4kW 1/200 | GM-DFB 0.4kW 1/200 | GM-DFB 0.4kW 1/200 |
| GM-DFB 0.4kW 1/270 | GM-DFB 0.4kW 1/270 | GM-DFB 0.4kW 1/270 | GM-DFB 0.4kW 1/270 |
| GM-DFB 0.4kW 1/360 | GM-DFB 0.4kW 1/360 | GM-DFB 0.4kW 1/360 | GM-DFB 0.4kW 1/360 |
| GM-DFB 0.4kW 1/450 | GM-DFB 0.4kW 1/450 | GM-DFB 0.4kW 1/450 | GM-DFB 0.4kW 1/450 |
| GM-DFB 0.4kW 1/540 | GM-DFB 0.4kW 1/540 | GM-DFB 0.4kW 1/540 | GM-DFB 0.4kW 1/540 |
| GM-DFB 0.4kW 1/720 | GM-DFB 0.4kW 1/720 | GM-DFB 0.4kW 1/720 | GM-DFB 0.4kW 1/720 |
| GM-DFB 0.4kW 1/900 | GM-DFB 0.4kW 1/900 | GM-DFB 0.4kW 1/900 | GM-DFB 0.4kW 1/900 |
| GM-DFB 0.4kW 1/1200 | GM-DFB 0.4kW 1/1200 | GM-DFB 0.4kW 1/1200 | GM-DFB 0.4kW 1/1200 |
| GM-DFB 0.4kW 1/3 | GM-DFB 0.4kW 1/3 | GM-DFB 0.4kW 1/3 | GM-DFB 0.4kW 1/3 |
| GM-DFB 0.4kW 1/5 | GM-DFB 0.4kW 1/5 | GM-DFB 0.4kW 1/5 | GM-DFB 0.4kW 1/5 |
| GM-DFB 0.4kW 1/10 | GM-DFB 0.4kW 1/10 | GM-DFB 0.4kW 1/10 | GM-DFB 0.4kW 1/10 |
| GM-DFB 0.4kW 1/15 | GM-DFB 0.4kW 1/15 | GM-DFB 0.4kW 1/15 | GM-DFB 0.4kW 1/15 |
| GM-DFB 0.4kW 1/20 | GM-DFB 0.4kW 1/20 | GM-DFB 0.4kW 1/20 | GM-DFB 0.4kW 1/20 |
| GM-DFB 0.4kW 1/25 | GM-DFB 0.4kW 1/25 | GM-DFB 0.4kW 1/25 | GM-DFB 0.4kW 1/25 |
| GM-DFB 0.4kW 1/30 | GM-DFB 0.4kW 1/30 | GM-DFB 0.4kW 1/30 | GM-DFB 0.4kW 1/30 |
| GM-DFB 0.4kW 1/40 | GM-DFB 0.4kW 1/40 | GM-DFB 0.4kW 1/40 | GM-DFB 0.4kW 1/40 |
| GM-DFB 0.4kW 1/50 | GM-DFB 0.4kW 1/50 | GM-DFB 0.4kW 1/50 | GM-DFB 0.4kW 1/50 |
| GM-DFB 0.4kW 1/60 | GM-DFB 0.4kW 1/60 | GM-DFB 0.4kW 1/60 | GM-DFB 0.4kW 1/60 |
| GM-DFB 0.4kW 1/80 | GM-DFB 0.4kW 1/80 | GM-DFB 0.4kW 1/80 | GM-DFB 0.4kW 1/80 |
| GM-DFB 0.4kW 1/100 | GM-DFB 0.4kW 1/100 | GM-DFB 0.4kW 1/100 | GM-DFB 0.4kW 1/100 |
| GM-DFB 0.4kW 1/120 | GM-DFB 0.4kW 1/120 | GM-DFB 0.4kW 1/120 | GM-DFB 0.4kW 1/120 |
| GM-DFB 0.4kW 1/160 | GM-DFB 0.4kW 1/160 | GM-DFB 0.4kW 1/160 | GM-DFB 0.4kW 1/160 |
| GM-DFB 0.4kW 1/200 | GM-DFB 0.4kW 1/200 | GM-DFB 0.4kW 1/200 | GM-DFB 0.4kW 1/200 |
| GM-DFB 0.4kW 1/270 | GM-DFB 0.4kW 1/270 | GM-DFB 0.4kW 1/270 | GM-DFB 0.4kW 1/270 |
| GM-DFB 0.4kW 1/360 | GM-DFB 0.4kW 1/360 | GM-DFB 0.4kW 1/360 | GM-DFB 0.4kW 1/360 |
| GM-DFB 0.4kW 1/450 | GM-DFB 0.4kW 1/450 | GM-DFB 0.4kW 1/450 | GM-DFB 0.4kW 1/450 |
| GM-DFB 0.4kW 1/540 | GM-DFB 0.4kW 1/540 | GM-DFB 0.4kW 1/540 | GM-DFB 0.4kW 1/540 |
| GM-DFB 0.4kW 1/720 | GM-DFB 0.4kW 1/720 | GM-DFB 0.4kW 1/720 | GM-DFB 0.4kW 1/720 |
| GM-DFB 0.4kW 1/900 | GM-DFB 0.4kW 1/900 | GM-DFB 0.4kW 1/900 | GM-DFB 0.4kW 1/900 |
| GM-DFB 0.4kW 1/1200 | GM-DFB 0.4kW 1/1200 | GM-DFB 0.4kW 1/1200 | GM-DFB 0.4kW 1/1200 |