


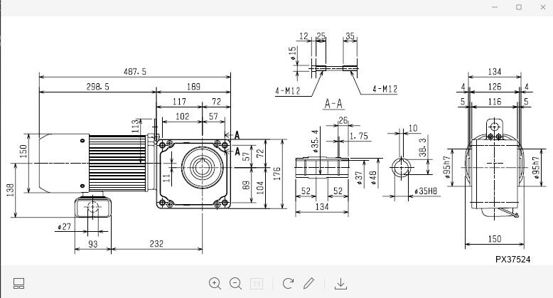
日本三菱减速机型号GM-SHYPMB-RH-0.75KW-4P-1/15-380V/50HZ
苏州上野公司主营日本机械,联 系人 张 涛 手 机1-8-8-9698-4864。苏州上野机电设备有限公司是一家日本进口机械供应商。主要经营日本三菱减速机及电机MITSUBISHI等,正品有保证,提供日本原厂出厂证明。我们还与其他厂商建立了良好的代理协作关系,为顾客提供种类繁多价格可靠的众多产品,帮助广大客户降低了采购和物流成本。
朋友们,近年来,中国高铁从和谐号到复兴号,发展态势很凶猛!以中国高铁为代表的时代产品,带动了整个高端智能装备行业蓬勃发展。我司感受到近年来,市场对日本原装进口的机械配件需求越来越多,对此,我司2020年下半年将进一步扩大经营规模,大批量供应给广大客户朋友。2020年下半年起,我司将采用精准营销模式,主要面向在华日企,以及中国央企国企,A股股份上市公司等需要高端装备的客户朋友,以好价格好渠道的优势和大家携手发展,欢迎广大客户朋友们来我司进一步参观指导,喝茶交流。谢谢!
苏州上野公司张涛批发销售日本三菱减速机型号GM-SHYPMB-RH-0.75KW-4P-1/15-380V/50HZ。三菱减速机分三菱电机齿轮减速机和三菱重工蜗轮蜗杆减速机。我们说的三菱减速机一般是指三菱电机齿轮减速机,是三菱电机FA产业机器株式会社的产品。三菱电机FA产业机器株式会社Mitsubishi Electric FA Industrial Products Corporation成立于2000年4月1日 [1] 。2006年4月1日之前,名称为三菱电机卷扬机株式会社。公司是三菱电机集团的制造工厂之一,其产品包括电动葫芦,真空泵和齿轮减速电机。齿轮减速机一直处于日本国内市场的领导地位。会社沿革:1944 三菱电机株式会社长崎厂分厂 作为福冈工厂。三菱齿轮减速机,目前已经通过中国CCC认证和高能效GB2认证。
苏州上野公司张涛批发销售的型号:
GM-SHYMB-RH 0.1KW 1/40 380V 50HZ 4P 刹车200V
GM-SHYMB-RH 0.1KW 1/40 380V 50HZ 4P 刹车220V
GM-SHYMB-RH 0.1KW 1:40 380V 50HZ 4P 刹车200V
GM-SHYMB-RH 0.1KW 200V 50HZ 1:120
GM-SHYMB-RH 0.1KW 200V 50HZ 4P 1:40
GM-SHYMB-RH 0.1KW 3P 200V 1:10
GM-SHYMB-RH 0.2KW 380V 50HZ 1:5
GM-SHYMB-RH 0.2KW 380V 50HZ 1:60
GM-SHYMB-RH 0.4KW 1/10 380V 50HZ 4P 刹车200V
GM-SHYMB-RH 0.4KW 1/10 380V 50HZ 4P 刹车220V
GM-SHYMB-RH 0.4KW 1:10 380V 50HZ 4P 刹车200V
GM-SHYMB-RH 0.4KW 380V 50HZ 1:15
GM-SHYMB-RH 0.4KW 380V 50HZ 4P 1:75
GM-SHYMB-RH 0.4KW 380V 50HZ/60HZ 1:120
GM-SHYMB-RH 0.4KW 3P 1:15
GM-SHYMB-RH 0.4KW 3P 1:15 380V
苏州上野公司张涛批发销售的型号:
GM-SB 0.2KW 1:10 200V
GM-SB 0.2KW 380V 50HZ 1:30
GM-SB 0.2KW 1/20 4P 3PH/380V/50HZ
GM-SB 0.2KW 1/25 3P 380V 50HZ
GM-SB 0.2KW 1/30 4P 3PH/380V/50HZ
GM-SB 0.2KW 1/5 380V/50HZ
GM-SB 0.2KW 1/5 4P 3PH/380V/50HZ
GM-SB 0.2KW 1/5 AC200/220V
GM-SB 0.2KW 1/80 3P/380V 50HZ
GM-SB 0.2KW 1:15 380V 50HZ
GM-SB 0.2KW 1:15 380V 50HZ 4P
GM-SB 0.2KW 1:20 200V 50HZ
GM-SB 0.2KW 1:20 380V 50HZ
GM-SB 0.2KW 1:360 380
GM-SB 0.2KW 1:60 200V
GM-SB 0.2KW 1:60 220V 3相
GM-SB 0.2KW 1:60 380V
GM-SB 0.2KW 1:80 380V 50HZ
GM-SB 0.2KW 200V 1:100
苏州上野公司张涛批发销售的型号:
GM-SB 0.2KW 200V 1:25
GM-SB 0.2KW 200V 4P 1:10
GM-SB 0.2KW 200V 50HZ 1:10
GM-SB 0.2KW 200V 50HZ 1:15
GM-SB 0.2KW 200V 50HZ 1:20
GM-SB 0.2KW 200V 50HZ 1:25
GM-SB 0.2KW 200V 50HZ 1:30
GM-SB 0.2KW 200V 50HZ 1:40
GM-SB 0.2KW 200V 50HZ 1:50
苏州上野公司张涛批发销售的型号:
GM-SB 0.1KW 1:30 380V/50HZ
GM-SB 0.1KW 1:60 200V
GM-SB 0.2KW 1:10 200V
GM-SB 0.2KW 1:15 380V
GM-SB 0.2KW 1:20 380V/50HZ
GM-SB 0.2KW 1:30 380V/50HZ
GM-SB 0.2KW 1:50 380V
GM-SB 0.2KW 1:50 200V
GM-SB 0.2KW 1:60 380V
GM-SB 0.2KW 200V 50HZ 1:20
GM-SB 0.2KW 1:3 380V 50HZ
GM-SB 0.2KW 3PH 380V 50HZ 1:100
GM-SB 0.2KW 400V 4P 3PH 1:50
苏州上野公司张涛批发销售的型号:
GM-SB 0.4KW 1:10 200V
GM-SB 0.4KW 1:10 380V
GM-SB 0.4KW 1:10 三相220V
GM-SB 0.4KW 1:30 380V
GM-SB 0.4KW 1:30 380V/50HZ
GM-SB 0.4KW 1:80 200V
GM-SB 0.4KW 1:80 380V/50HZ
GM-SB 0.4KW 200V 50HZ 1:120
GM-SB 0.4KW 1:25 460V
GM-SB 0.4KW 1:5 380V 50HZ
GM-SB 0.4KW 200V 1:10
GM-SB 0.4KW 220V 1:20
GM-SB 0.75KW 1:160 200V
GM-SB 0.75KW 1:10 380V
GM-SB 0.75KW 1:20 220V
GM-SB 0.75KW 1:30 380V
GM-SB 0.75KW 1:60 380V
GM-SB 0.75KW 1:10 380V 50HZ
GM-SB 0.75KW 1:15 460V
GM-SB 0.75KW 200V 3定格 3PH 1:20
GM-SB 0.75KW 380V 50HZ 1:50
苏州上野公司张涛批发销售的型号:
GM-SB 1.5KW 1:10 380V
GM-SB 1.5KW 1:30 380V
GM-SB 1.5KW 380V 50HZ 1:40
GM-SB 1.5KW 4P 200/220V 1:100
GM-SB 1.5KW/380V/4P/1:80
GM-SB 2.2KW 1:15 200V
GM-SB 2.2KW 1:15 380V
GM-SB 2.2KW 380V 50HZ 1:15 4P S/N:6867
GM-SB 3.7KW 200V 50HZ 1:30
GM-SB .2KW 1:25
GM-SB 0.1KW 1:15 380V 50HZ
GM-SB 0.1KW 1:270 220V
GM-SB 0.1KW 1:30 200V
GM-SB 0.1KW 1:30 3PH200V/50HZ
GM-SB 0.1KW 1:40 200V 50HZ
GM-SB 0.1KW 1:450 380V
GM-SB 0.1KW 1:60 200V
GM-SB 0.1KW 200V 1:100
GM-SB 0.1KW 200V 1:25
GM-SB 0.1KW 200V 1:3
GM-SB 0.1KW 200V 1:30
GM-SB 0.1KW 200V 1:5
GM-SB 0.1KW 200V 50HZ 1:10
GM-SB 0.1KW 200V 50HZ 1:100
GM-SB 0.1KW 200V 50HZ 1:20
GM-SB 0.1KW 200V 50HZ 1:200
GM-SB 0.1KW 200V 50HZ 1:270
苏州上野公司张涛批发销售的型号:
GM-SB 0.1KW 200V 50HZ 1:60
GM-SB 0.1KW 380V 1:160
GM-SB 0.1KW 380V 50HZ 1:30
GM-SB 0.1KW 380V 50HZ 1:450
GM-SB 0.1KW 380V 50HZ 1:50
GM-SB 0.1KW 380V 50HZ 1:900
GM-SB 0.1KW 400V 50HZ 1:50
GM-SB 0.1KW 400V 6定格 1:50
GM-SB 0.2KW
苏州上野公司张涛批发销售的型号:
型号:GM-SB-1/25-1.5KW-380V/50HZ-带刹车-轴心攻牙M8*15L
型号:GM-SB-1/40-0.4KW-380V/50HZ-带刹车-轴心攻牙M8*12L
型号:GM-SB-1/50-0.2KW-380V/50HZ-带刹车-轴心攻牙M6*10L
型号:GM-SHYM-RH-0.4KW-1/120-380V/50HZ-垂直安装,马达在上
型号:GM-SHYM-RH-1.5KW1-120-380V/50HZ
型号:GM-SHYM-RH-1.5KW1-120-380V/50HZ-耐高温--垂直安装,马达在上
型号:GM-SHYM-RH-2.2KW-1-120-380V/50HZ-耐高温--垂直安装,马达在上
日本三菱齿轮减速机
型号:GM-SPB-1.5KW-4P-1/15-380V/50HZ-带刹车-轴心攻牙M8*12
型号:GM-SPB-1.5KW-4P-1/15-380V/50HZ-带刹车-轴心攻牙M8*12-户外型
型号:GM-SPB-1.5KW-4P-1/25-380V/50HZ-带刹车-轴心攻牙M8*12
型号:GM-SB-0.4KW-4P-1/40-380V/50HZ-带刹车-轴心攻牙M8*12
型号:GM-SB-0.2KW-4P-1/50-380V/50HZ-带刹车-轴心攻牙M6*10
型号:GM-SHYM-RH-0.4KW-1/120-380V/50HZ-垂直安装,马达在上
型号:GM-SHYM-RH-1.5KW1-120-380V/50HZ
型号:GM-SHYM-RH-1.5KW1-120-380V/50HZ-耐高温--垂直安装,马达在上
型号:GM-SHYM-RH-2.2KW-1-120-380V/50HZ-耐高温--垂直安装,马达在上
日本三菱减速机型号GM-SB-1/15-1.5KW-380V/50HZ附刹车 轴心攻牙M8-15L
日本三菱齿轮马达 三菱齿轮减速机
型号:GM-SB-1/15-1.5KW-380V/50HZ-带刹车-轴心攻牙M8*15L
型号:GM-SB-1/15-1.5KW-380V/50HZ-带刹车-轴心攻牙M8*15L-耐高温80度
苏州上野公司张涛批发销售的型号:
GM-SB 0.2KW 200V 50HZ 1:60
GM-SB 0.2KW 220V 50HZ 1:10
GM-SB 0.2KW 220V 50HZ 1:15
GM-SB 0.2KW 220V 60HZ 1:25
GM-SB 0.2KW 380V 1:60
GM-SB 0.2KW 380V 50HZ 1:10
GM-SB 0.2KW 380V 50HZ 1:15
GM-SB 0.2KW 380V 50HZ 1:20
GM-SB 0.2KW 380V 50HZ 1:20 带刹车
GM-SB 0.2KW 380V 50HZ 1:25
GM-SHYF-RH 3相 4P 0.1KW 200V/50HZ 1:160
GM-SHYF-RH(200:1)
GM-SHYF-RH(50:1)
GM-SHYF-RL 0.1KW 1:50 380V 50HZ
GM-SHYF-RL 0.2KW 220V 1:160
GM-SHYF-RL 0.4KW 1/25 箱B组立 200V 50HZ
GM-SHYF-RL 0.4KW 1:25 200V 50HZ
GM-SHYF-RL 0.4KW 200V 50HZ 1:40
GM-SHYF-RL 0.4KW 220V 1:160
GM-SHYF-RL 0.4KW 220V 60HZ 1:20
GM-SHYF-RL 1:30 200V 0.1KW 50HZ
GM-SHYF-RR 0.1KW 1:100 200V 50HZ
GM-SHYF-RR 0.1KW 1:50 380V/50HZ
GM-SHYF-RR 0.1KW 380V 50HZ 1:240
GM-SHYF-RR 0.2KW 1:40 200V 50HZ
GM-SHYF-RR 0.2KW 200V 50HZ 1:200
GM-SHYF-RR 0.2KW 380V 50HZ 1:5
GM-SHYF-RR 0.4KW 1/25 箱B组立 200V 50HZ
GM-SHYF-RR 0.4KW 200V 50HZ 1:40
GM-SHYF-RR 0.4KW 200V 50HZ 1:50
GM-SHYF-RR 0.75KW 1:25 400V 50HZ
GM-SHYF-RR 2.2KW 200V 50HZ 1:40
GM-SHYF-RR(0.2KW/380V.50HZ/1:20)
GM-SHYF-RR(0.75/380V.50HZ/1:20)
GM-SHYMB 0.2KW 1:15 380V
GM-SHYMB-RH 0.1KW 380V 50HZ 1:40
GM-SHYMB-RH 0.4KW 200V 1:10
GM-SHYMB-RH 0.4KW 200V 1:30